다년간의 환경관리 노하우와 관련정보를 기업체에 컨설팅하고,
방안을 제시하여 환경기술인의 업무능력을 배양하겠습니다.
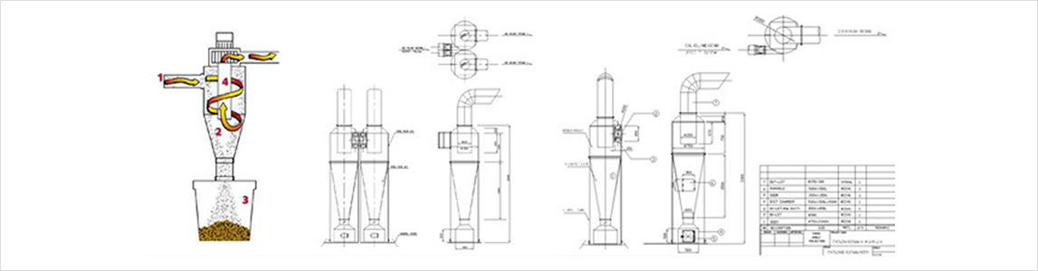
먼지가 함유된 배출가스를 송풍기에 의하여 후드 및 닥트를 경유하여 CON 형태의 장치(CYCLONE)로 분진이 유입되어 내부에서 원심력에 의해 입자성물질을 제거하는 장치이다.
비교적 입자가 크고, 비중이 있는 입자에 선회운동을 주어 원심력과 관성력에 의해 먼지 입자를 제거하며, 제거된 먼지는 기계적 장치에 의해 CHAMBER에 보관후 외부로 처리하고,
먼지를 제거한 공기는 배출구(STACK)로 배출된다. 집진효율은 여과집진시설에 비해 낮은편으로, 주로 다른 방지시설과 함께 사용된다.
